11D703-2液位测量装置安装图集
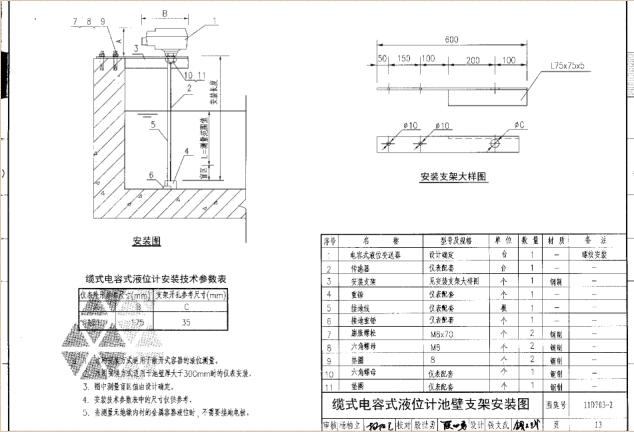
11D703-2图集是99D703-2图集的一个修订版,详细介绍了液位测量装置的安装图,包括电容式液位计、静压式液位计和超声波液位计等多种液位计,内容详细,对液位计的安装和选用提供了参考信息。

11D703-2图集预览




11D703-2图集内容
1、液位测量装置选用说明
2、电容式液位计
3、静压式液位计
4、浮筒(球)式液位计
5、超声波液位计
6、电极式液位开关水位计接线方案浮球液位开关
7、液位界面仪
提取码: 34t3
相关标签
11D703-2图集是99D703-2图集的一个修订版,详细介绍了液位测量装置的安装图,包括电容式液位计、静压式液位计和超声波液位计等多种液位计,内容详细,对液位计的安装和选用提供了参考信息。





1、液位测量装置选用说明
2、电容式液位计
3、静压式液位计
4、浮筒(球)式液位计
5、超声波液位计
6、电极式液位开关水位计接线方案浮球液位开关
7、液位界面仪
提取码: 34t3
还没有评论,快来抢沙发吧!