11CJ33通风采光天窗参考图集
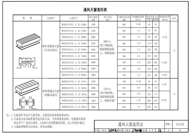
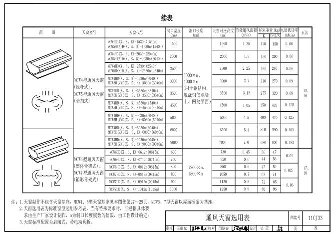
11CJ33图集是一款标准的通风采光天窗图集,介绍了7种不同形式的通风天窗,包括选用表、选用示意图、安装图和原理图等,设计编排合理,讲解详细,适用于通风采光天窗的设计、安装和改进等。

图集特点:
1.通风天窗具有外形美观、通风效率高、防雨雪和避风性能好、结构重量轻、安装方便等特点。
2.电动采光排烟天窗品种多样化、构造合理、应用广泛,具有较高的市场使用价值。
3.天窗采用新材料、新技术、新工艺,产品专业性强,类型多样,设计合理,便于设计选用和施工安装,尤其适用于轻钢结构的建筑。
11CJ33图集预览




提取码: rxc9
本站所有资源来自互联网整理收集,全部内容采用撰写共用版权协议,要求署名、非商业用途和相同方式共享,如转载请也遵循撰写共用协议。根据署名-非商业性使用-相同方式共享 (by-nc-sa) 许可协议规定,只要他人在以原作品为基础创作的新作品上适用同一类型的许可协议,并且在新作品发布的显著位置,注明原作者的姓名、来源及其采用的知识共享协议,与该作品在本网站的原发地址建立链接,他人就可基于非商业目的对原作品重新编排、修改、节选或者本人的作品为基础进行创作和发布。基于原作品创作的所有新作品都要适用同一类型的许可协议,因此适用该项协议, 对任何以他人原作为基础创作的作品自然同样都不得商业性用途。根据二〇〇二年一月一日《计算机软件保护条例》规定:为了学习和研究软件内含的设计思想和原理,通过安装、显示、传输或者存储软件等方式使用软件的,可不经软件著作权人许可,无需向其支付报酬!鉴此,也望大家按此说明转载和分享资源!本站提供的所有信息、教程、软件版权归原公司所有,仅供日常使用,不得用于任何商业用途,下载试用后请24小时内删除,因下载本站资源造成的损失,全部由使用者本人承担!如果您发现本站侵害了相关版权,请按照以下方式进行处理。
相关标签
还没有评论,快来抢沙发吧!